Product description
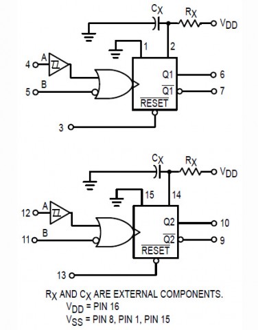
The MC14538B is a dual, retriggerable, resettable monostable multivibrator in DIP-16-package. It may be triggered from either edge of an input pulse, and produces an accurate output pulse over a wide range of widths, the duration and accuracy of which are determined by the external timing components, CX and RX.
Supply voltage: 3-18 V
Supply voltage: 3-18 V
